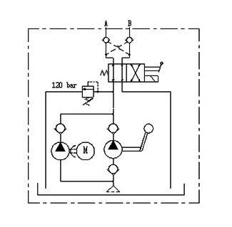
파워팩

POWER PACK - CABIN TILTING PUMP
Cabin Tilting용 Power Pack으로서 On/Off Solenoid Valve를 통한 자동 작동과 Lever를 통한 수동작동 두 가지 작동이 가능하다.
Specifications
- Working Pressure : 140 bar Max.
- Relief Pressure : 125bar
- Displacement :
Electric – 1.6 lpm
Manual – 9.7cc/stroke
- Tank Displacement : 770 cc at “H” level
- DC Motor : 24 vdc at 120w
- Solenoid Valve : 24 vdc at 14.7w
- Hydraulic circuit
